波形运算的实时性可直接体现产品的性能,ZDL6000和ZDL5000在100M采样率下的波形运算速度小于100微秒,非常适用于高速计算场合,如无线充电的功率运算、电感、电容的功耗运算等。
在三相三线制和三相四线制的功率测试系统中,如果要实时得到各相的电压、电流、功率值可使用功率测量功能。ZDL6000和ZDL5000最多可以在两个虚拟通道上完成两组3 相电的功率测试。
ZDL6000和ZDL5000示波记录仪允许用户通过自定义公式对屏幕中的波形进行数学运算,数学运算的结果将以波形方式进行呈现,用户还可以对数学运算的波形进行二次分析。
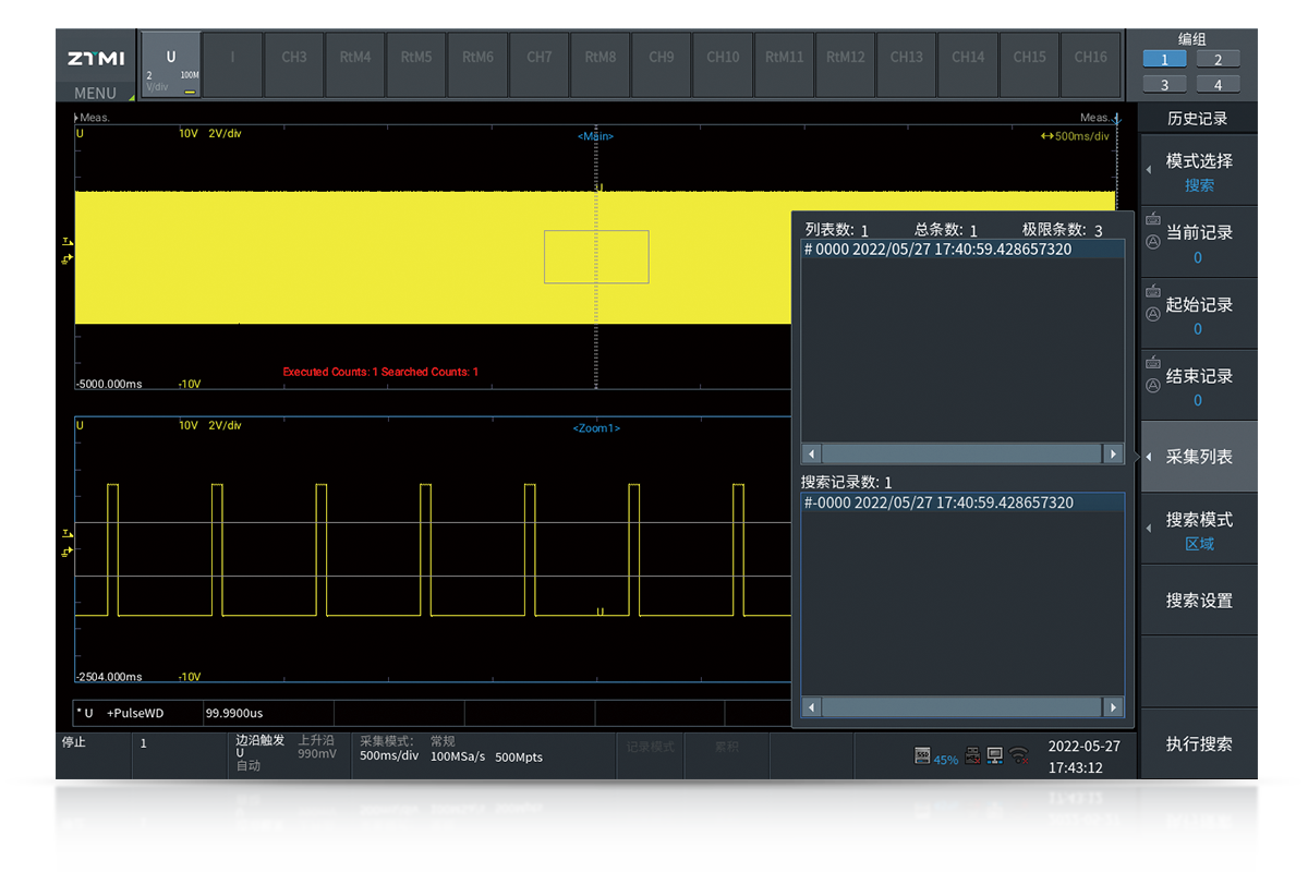
ZDL6000和ZDL5000示波记录仪客户不仅可以保存历史5000屏的数据,还可以针对5000屏的数据进行历史搜索,用户可以快速定位异常信号。
版权所有©2024 广州致远仪器有限公司 【粤ICP备2023010920号】

ZDL6000
ZDL5000
ZDL3000
可选板卡
大数据分析功能包
高级分析功能包
配件
行业应用
技术参数和产品对比