ZDL5000示波记录仪
专业版 得心应手
专业版 得心应手
ZDL5000的记录能力
ZDL5000示波记录仪能在示波模式和记录模式下分别进行数据记录,在选用2T固态硬盘时,即使在200KS/s采样率下,ZDL5000依然最高能保存5天波形数据。
模块通道全隔离
ZDL5000最多可以同时选择8个模块进行测试,每张模块之前相互绝缘、屏蔽,这一特性非常适用于电力电子领域的高压测试和抗干扰测试。
数据保存与回读
示波记录仪可以将所有测试数据保存成多种格式,所有数据现场保存之后可以再次导入示波记录仪,用于二次分析。
支持多种标准格式导出
除了标准的格式之外,ZDL5000示波记录仪还支持直接导出二进制、CSV、FLOAT、matlab、labview、SystemView等标准格式,用户可以直接使用数据的标准文件进行深层次的数据分析,无论是数据二次回读、开发软件分析都十分便捷。
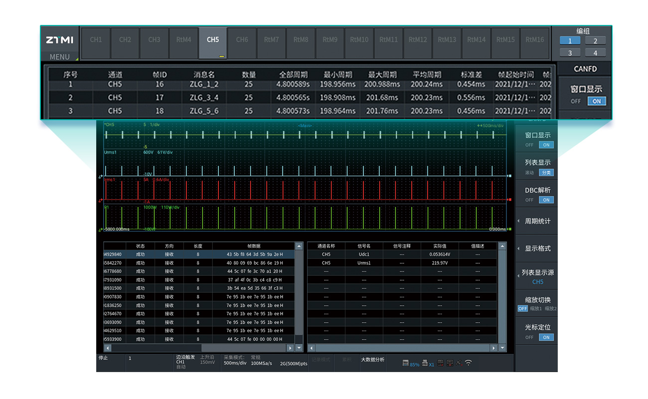
DBC报文解析与CAN报文统计
ZDL5000示波记录仪配合CAN 接口模块可以实现对CAN 信号的同步测试,通过加载DBC 文件可以对新能源汽车的CAN信号进行数字转化,从而达到对CAN报文统计分析的能力。
