报文收发、DBC解析与物理波形同步分析
2026-03-19
模块化架构:按需扩展CAN/CAN FD采集能力
ZDL系列示波记录仪基于模块化设计,主机具备8个标准板卡插槽。这种结构允许测试人员根据具体的项目规模,通过自由组合不同的采集板卡,构建出多通道、多参数的同步测试系统。
针对总线测试,DQM-62151是一款双路通信板卡,全面兼容CAN 2.0A/B及CAN FD协议,波特率覆盖范围自5 kbit/s起至8 Mbit/s。通过将该板卡插入插槽,ZDL系列即可从示波记录设备无缝转化为具备通信功能的总线测试平台。
DQM-62151-CAN/CANFD采集板卡
功能实测:CAN报文收发与参数配置
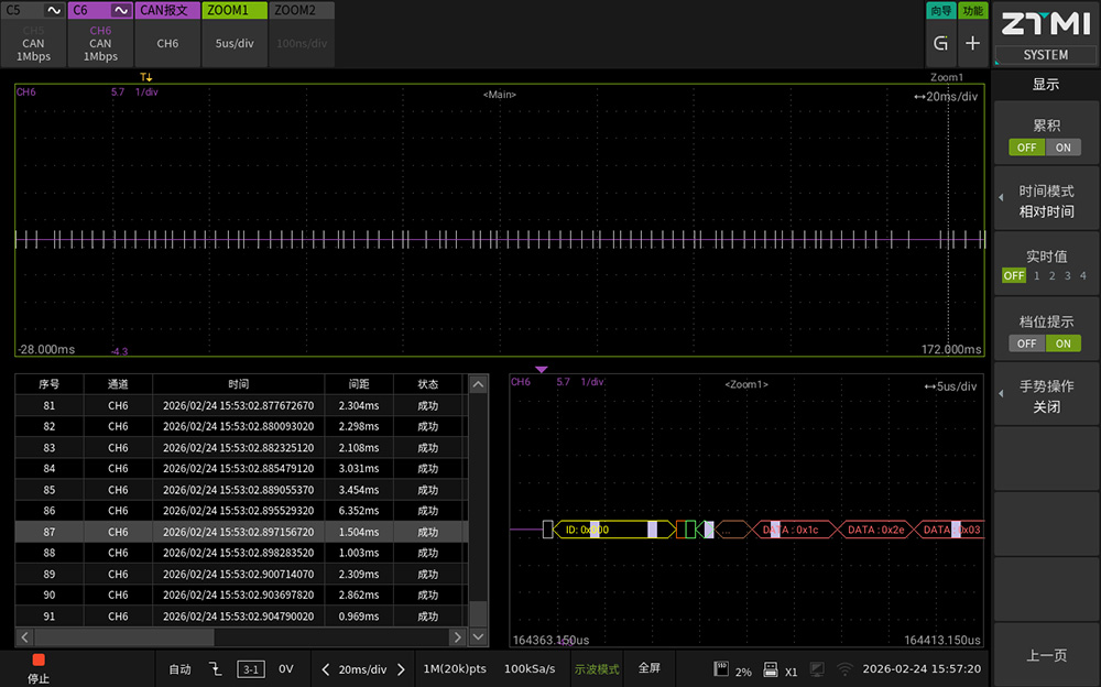
在配置DQM-62151板卡后,记录仪可执行报文的单双向收发。
1. 通道设置:支持设置CAN/CAN FD收发器类型、最大报文数及只听模式。针对CAN FD模式,系统允许用户精细化配置仲裁域和数据域的波特率及采样点。
2. 发送机制:内置帧发送配置界面,可定义帧ID、数据内容、发送次数、重复周期及时间间隔等。通过在一路配置发送而另一路配置接收,即可在同一设备内完成闭环的功能验证。
数字化分析:DBC实时解析与参数趋势化
在工程实测中,原始十六进制报文的直观性有限。ZDL记录仪集成了DBC实时解析功能,极大提升了测试数据的应用深度:
● 子通道机制:每一路CAN通道均提供60个虚拟子通道,专门用于关联DBC文件中的信号参数。
● 工程量映射:解析后,软件会自动将通信报文转化为工程单位,并同步绘制实时趋势图,使得工程师可以直观观察关键物理量的变化过程。
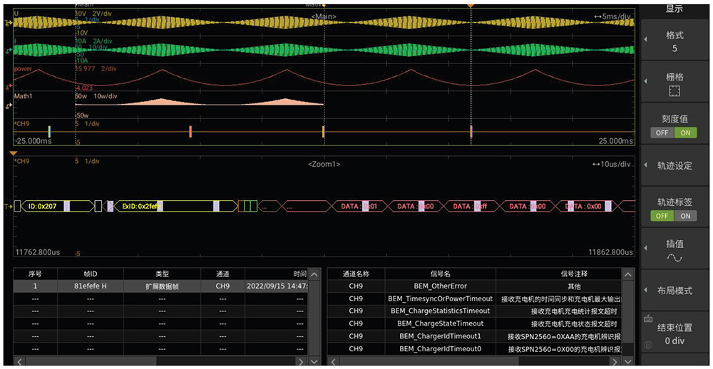
同步对照:协议层与物理波形的同时采样
复杂的通信隐患往往跨越了协议层与物理层。ZDL系列记录仪支持同时搭载通信板卡与多款隔离型模拟采集板卡,解决常规示波器或CAN分析仪难以兼顾的问题。
● 物理层评估:通过接入模拟采集通道至CANH和CANL线,可直接捕获物理电信号。
● 同轴分析:CAN报文解析后的内容与实际物理波形将展示在同一时间轴上,协助研发人员直接定位总线异常点位与电信号波形质量(如电磁噪声、反射、过冲等)的因果联系。
总结:综合性CAN测试的适用场景
对于单一、短时间的报文抓取,普通CAN卡往往可以应对。但对于新能源汽车、轨道交通及复杂自动化系统中的如下需求,ZDL示波记录仪表现出更高的专业度:
● 多路同步:采集CAN总线的同时,需同步记录电流、电压或数字逻辑等外部物理量。
● 超长记录:满足多路信号的连续高频率、大容量记录需求。
● 综合排查:需对比协议解码数据与原始物理链路电平波动的一致性。
● 新能源汽车、轨道交通、工业控制等领域中综合性的CAN总线测试工作。
相关链接:
FAQ模块
Q1:一台ZDL记录仪主机最多支持采集多少路CAN FD信号?
A1:主机具备8个插槽,搭配DQM-62151双路通信板卡时,理论单机最大可支持16路CAN/CAN FD同步通信与采集。
Q2:实时解析功能支持的DBC协议覆盖程度如何?
A2:支持加载符合行业标准的DBC通信协议库,每个物理通道可提取并实时显示60个独立解析子项的趋势变化曲线。
Q3:模拟板卡采集波形会影响通信板卡的解析精度吗?
A3:不会。ZDL系列采用插槽式背板架构与电气隔离技术,通信报文解析与模拟信号采集由不同板卡硬件执行处理,确保了协议分析与电气采样的独立性与同步性。
