一机多域,同步洞察:示波记录仪内置CAN卡的决定性优势
2025-08-29
告别数据孤岛,解锁系统级调试
在调试复杂的机电一体化系统时,您是否常常感到像是在破解一个"罗生门"?
例如充电桩给车载OBC充电中断时,是指令异常还是电源扰动?如何精准关联CAN总线指令与电压/电流的实时波形?
电气工程师说:"我的电机电流波形一切正常,问题肯定出在控制指令上!"
软件工程师反驳:"CAN总线上的控制报文发送频率和数据完全正确,是执行端出了故障!"
之所以产生分歧,根源在于:示波器和CAN分析仪是两套采用独立时钟源的系统,它们各自生成的时间戳存在对齐误差,无法保证精确同步。因此,工程师无法在观测到物理层信号异常的精确时刻,锁定对应的总线报文,反之亦然。
针对这一挑战,致远仪器ZDL系列示波记录仪采用了板载CAN/CAN FD模块的集成架构。其核心设计并非简单的功能叠加,而是将协议采集与模拟量采集置于统一的硬件平台和时间基准下,为跨域故障诊断提供客观、统一的数据依据。
什么是"一机多域,同步洞察"?
这里的"多域",指的是能够在一台设备、一个界面、一条时间轴上,同步两类最关键的数据:
模拟域:电压、电流、温度等一切真实的物理传感器信号;
协议域:CAN/CAN FD总线上的所有控制指令、状态信息和通信报文。
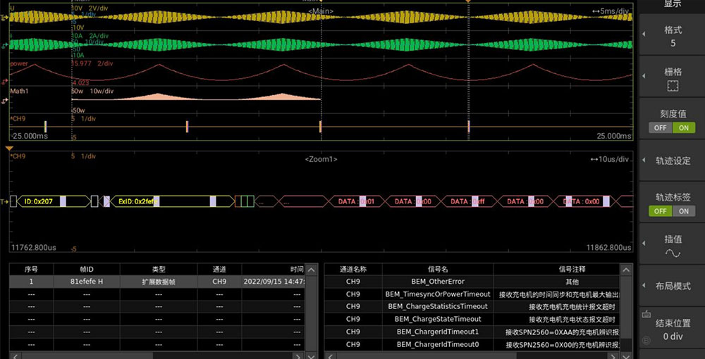
"同步洞察"的核心在于一个统一的高精度时基。每一个CAN报文都被打上纳秒级的时间戳,与对应时刻的模拟波形严格对齐。通过这种同步采集机制,指令与物理响应之间的时序关系、延迟和因果关联,便具备了精确的量化分析基础。
如下图所示,电压、电流、功率与CAN信号被同时采集并呈现在统一的时间轴上。
决定性优势:从"猜测"到"确证"
精准的因果关联,结束责任争论
1、传统方式
在示波器上观察到电机相电流过冲,再到CAN分析软件的海量日志中人工寻找可能同时刻的报文,过程繁琐且充满不确定性。
2、ZDL方式
ZDL系列示波记录仪支持CAN/CANFD报文、电压、电流、温度同步记录,在同一时间轴上进行多屏同步分析,结合ZDL系列独有的大数据分析功能,可通过python脚本将采集到的CAN/CANFD、电压、电流、温度等信号进行自定义脚本分析,以及将结果生成TXT文档方便用户进一步做报告和记录。
深度的"黑匣子"记录,复现偶发故障
凭借示波记录仪海量的存储深度,工程师可以进行长时间、不间断的多域数据记录。
1、应用场景
将ZDL连接至待测设备(如新能源汽车的VCU、工业机器人控制器),进行路试或耐久性测试,如图2所示。
2、价值
当偶发故障出现后,可以像回放飞机"黑匣子"一样,精确回溯故障发生前、中、后全系统的所有状态(物理信号+通信数据),无需复现故障即可定位根因,极大提升调试效率。
CAN/CAN FD板卡功能亮点
作为节点自定义报文收发
ZDL系列示波记录仪搭配4张CANFD卡,不仅可同时监听8路CAN总线,还支持CAN2.0、CANFD协议的帧发送,对帧类型、帧ID、数据长度以及重复次数等进行自定义设置,如图所示。
DBC解析及趋势图
ZDL系列示波记录仪可以根据加载的DBC文件对接收到的报文进行DBC解析,以及生成最高480路趋势波形数据,每路趋势波形最高采样率达到100kSa/s。如图所示。
结 语
致远仪器ZDL系列示波记录仪通过其板载CAN/CAN FD的集成架构,实现了通信协议与物理层信号在硬件层面的时间同步。这一方案有效解决多设备独立测量时的数据关联难题,同时其通道隔离设计也保证了复杂测试环境下的信号完整性与设备安全。
对于从事车载电源、电机控制等系统调试的工程师而言,它提供了一种高效、可靠的跨域联合分析工具,有助于显著提升研发与故障排查的效率。
