PA300系列功率计:三种数据记录方法详解,应对不同测试场景
2025-11-21
PA300系列功率计
功率计是一种基础的电参数测量仪器,主要用于光伏、电源与变频器、家电等行业的研发、产线测试环节,具有高精度、易集成、高性价比的产品特性。随着行业测试需求的增多,不同行业的测试差异性也日渐显著。
ZTMI致远仪器推出单/三通道共七款功率计,性能指标包括:
● 电压测量能力最高可达2000V
● 电流测量精度最小可测25μA微小电流
● 测量带宽最大300kHz,满足高频信号测试
● 支持IEC谐波分析、积分测量等专业功能
具体型号参数如图1所示:
三种数据记录方式
方式一:U盘本地存储
PA300系列功率计有单通道和三通道两种类型,其前面板如图2、图3所示。
图2 单通道功率计面板
图3 三通道功率计面板
PA300系列功率计标配USB-Host接口,可接入U盘等外部移动存储器,长时间存储电压、电流、功率、谐波等测量数据。
存储内容与设置
存储的测量项目为所有可显示的测量项,包括常规模式和谐波模式下的测量项;存储的测量项可通过上位机软件或指令来设置。保存的测量数据会以CSV格式保存,以PA333H型功率计为例,功率计按"PA330_Data_年月日/H_小时/Pa330_分秒.csv"的格式生成文件和文件夹,存储设置如图4所示。
图4 功率计存储设置步骤
时间间隔设置
用户可设定存储时间间隔,设定范围:00.00.00(0时,00分,00秒)~99.59.59(99时,59分,59秒);初始值为1s,如图5所示。
图5 功率计存储时间间隔设置
保存数据分析
开启存储功能后,功率计会自动将数据保存在U盘当中,存储结束后,可以将U盘中的CSV文件拷贝到PC端进行二次分析,CSV文档数据列表如图6所示。
图6 U盘存储CSV格式
方式二:PC端实时存储
PA300系列功率计也支持PC端实时存储,可通过致远仪器提供的MTA Studio综合测量测试分析软件实现数据在PC端的存储。
具体操作如下:
步骤1:连接设备
将PA300功率计通过以太网与PC相连,设置好IP地址,打开MTA Studio软件,在新建设备中选择功率计设备,如图7所示,选择对应型号,设置好IP地址即可连接功率计,如图8所示。
图7 MTA添加功率计
图8 功率计连接设置
步骤2:设置帧存储
软件连接上功率计后,可以通过菜单栏中"帧存储"功能实现在线数据的实时保存,如图9所示,可选择存储数据项目、文件大小、存储路径等内容,数据保存的时间间隔与功率计设置的数据更新率一致。
图9 帧存储设置
步骤3:开始采集
帧存储设置完成并勾选同步存储功能后,点击开始采集,软件会实时读取功率计数据并将设置选中的数据项目保存在PC端对应路径CSV文件下,文件默认以时间命名,停止采集后文件结束保存,保存的CSV文件格式如图10所示。
图10 帧存储保存的数据内容
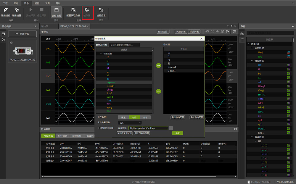
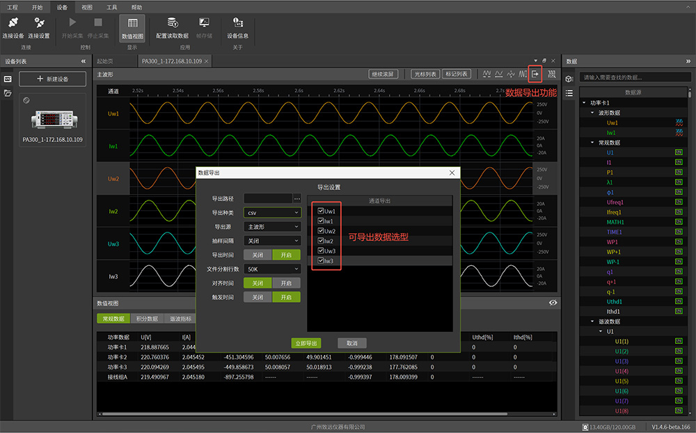
方式三:上位机保存波形和数据
如果PA300功率计在连接MTA软件使用过程中,没有开启帧存储功能,还可以通过波形界面的数据导出功能,将缓存在PC端的波形和数据(需在波形界面选择且显示)导出成文件。
导出设置如图11所示,用户可对数据内容、导出文件格式、数据源、文件大小、抽样间隔等进行设置,导出所需文件。
图11 波形及数据导出设置
波形数据导出
在此功能下,不仅可以导出常规数据,还可以导出电压、电流原始波形,导出波形数据如图12所示(折线图为手动绘制)。
图12 导出表格数据
结 语
PA300系列虽然是功能相对简单的电参数测试仪器,但其数据记录和分析功能并不简单。用户可以根据自身测试需要,选择合适的数据记录方法,实现数据的长时间记录和精准分析,以合理的成本满足专业测试需求。
