还能记录分析波形?解锁PA系列功率分析仪的隐藏用法
2025-04-25
PA系列功率分析仪的隐藏实力:三种高效实用的波形记录分析方法
功率分析仪具备高精度、高带宽特性,已成为光伏、储能、电源、电机、电动汽车和电力等领域的核心测试设备。致远仪器PA系列功率分析仪(图1所示),不仅具备电参数测量、谐波分析、矢量分析等常规功能,还内置多种实用波形记录方案,从容应对瞬态波形、电流畸变、偶发异常等波形记录分析难题。
接下来分享PA系列功率分析仪三种波形记录方法,探索它们在各种测试场景中的应用优势,提升测试工作效率与分析能力。
方法一:机器本地波形记录,两种方式便捷回溯分析
优势:高速存储、无需外部设备、灵活回放
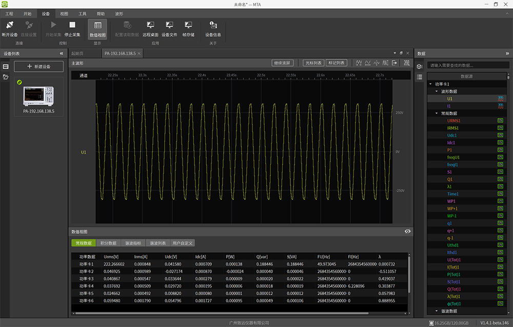
PA系列功率分析仪内置240G超大硬盘,为波形和数据存储提供充足空间。操作步骤简单直观:
1、进入存储设置界面,设置存储模式、文件类型(建议选择pad格式文件,支持本地和PC软件回读)、存储项、文件大小等参数(图2所示)。
2、设置完成后点击"开始存储",屏幕下方会实时显示存储进度(图3所示)。
3、存储完成后,通过文件管理功能在内置硬盘中找到保存的文件(图4所示)。
存储完成后,可以通过两种方式查看分析波形:
1、机器本地回读:切换运行模式为"回读"(图5所示),在回读文件中选择保存的pad文件。文件加载后,调整"回读帧"数即可查看不同时刻的波形状态(图6所示)。
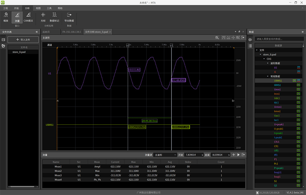
2、MTA软件离线分析:在PC上打开MTA软件(图7所示),从左侧栏选择导入文件,加载保存的pad文件。文件可通过U盘拷贝到PC端,也可通过MTA软件直接从仪器导入(图8所示)。加载完成后,可添加光标及测量项目进行深入分析(图9所示)。
方法二:PC端实时在线波形记录
优势:超长时间记录、远程监测、大容量存储
当需要进行长时间、大容量的波形记录时,MTA软件也能提供实时在线波形记录功能,操作简便:
1、打开MTA软件,通过"新建PA设备"功能连接功率分析仪(图10所示)。
2、建立连接后,启动数据采集,波形数据将实时保存至PC硬盘(图11所示)。
这种方式可以突破仪器本身存储容量的限制,只要PC硬盘空间充足,可无限时长记录。通过在线记录的方式,可以将PA功率分析仪转变成一台录波仪使用。
方法三:常规分析模式快速查看临时波形
优势:无需预设记录、即时波形回溯、关键数据挽救
电气测试中时常会遇到偶发的异常波形,这些波形往往在快速刷新后消失,无法再次观察。针对这一难题,PA系列功率分析仪提供常规分析功能,在未主动开启波形记录的情况下,能通过简单操作回溯查看:
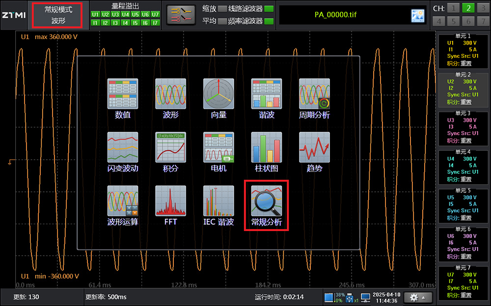
1、发现异常后,进入常规分析功能(图12所示)。
2、打开常规分析,进入功能界面(图13所示)。
3、在"数据序号"菜单中,选择不同的波形帧数,找到异常所在(图14所示)。
常规分析作为PA系列功率分析仪的重要补充功能,能增强测试过程中的数据获取能力,适用于以下场景:
1、排查偶发性异常波形,节省重复测试时间;
2、在未预期开启记录的情况下保留测试数据;
3、为异常波形现象提供可回溯的数据支持;
4、提高测试异常捕获的成功率。
PA系列功率分析仪的综合应用优势
致远仪器PA系列功率分析仪(PA8000、PA6000H、PA5000H、PA2000mini,图15所示),凭借全系列支持的波形记录分析方法,实现精准测量和波形记录分析的融合,为不同测试场景提供灵活方案:
精确测量+本地记录(方法一):适用高精度现场分析,无需额外设备可完成波形记录与分析。
长时间持续监测(方法二):突破仪器存储限制,解决大容量数据记录难题。
突发异常捕获(方法三):有效捕获偶发性异常,提供关键波形回溯能力。
图15 PA系列功率分析仪型号列表
对于需要同时进行电参数测量和波形记录分析的工程师,PA系列功率分析仪提供了高效、精准、集成的测试解决方案,实现"一台仪器,多种价值"的综合测试优势。
