ZUS6000示波器在无线充电测试中的应用:高精度功率测量与相位校准方案
2025-03-14
无线充电技术介绍:无线电能传输原理与优势
无线电能传输技术是以电磁场理论为基础,利用两个或多个具有相同谐振频率、高品质因数的电磁系统,当其处于谐振状态时彼此之间发生强烈的能量交换,从而通过振荡源周围空间电磁场实现能量的高效率传输的一种新技术。
无线充电与有线充电相比,有以下明显优势,有线充电因为是需要线路连接,有接插头,接插头容易产生火花、漏电风险;硬件存在易磨损,触电易发热,起火等隐患;电压等级、电流等级受到线缆限制因而影响充电功率,并且需要硬件设备,方便性较差。而无线充电便于灵活移动,自动化程度可以更高,而且没有物理接口不会存在因物理接口带来的风险和隐患,此外电压、电流、功率等级可以更高,环境适应性也会更强。
无线充电技术分类:感应耦合、近场谐振、电场耦合、电磁辐射
无线充电在不同应用场景下,也有对应不同的技术分类,我们总结了当前无线充电技术的主要分类如表1所示,可以分为四类,感应耦合方式、近场谐振方式、电场耦合方式、电磁辐射方式。每种方传输功率、工作频率、传输距离各不相同,应用也各有差异。比如感应耦合传输距离在50cm以内,传输功率范围10W~1MW,比较适合当前手机、汽车等的无线充电应用。
表1 无线充电技术分类
无线充电测试内容与难点:功率因数与相位延时误差
无线充电越来越多的被应用在各个场合,无线充电的测试要求也越来越高。无线充电的测试项目包括:
1、输入特性: 输入电压和频率测试、输入功率测试、输入功率因数测试、输入电流谐波限值测试等;
2、输出特性: 直流输出电压误差测试、直流输出电流电流测试、输出电压响应测试等;
3、互操作特性: WPT系统无偏移条件下的效率测试、WPT系统有偏移条件下的效率测试等;
4、高频特性: 电压响应、输出波形上升、下降时间测试、线圈参数、线圈电压等;
5、安全特性: 接触电流、绝缘电阻、绝缘强度、长期稳定性测试等;
在众多的测试项目中,最难测试的是无线部分的功率传输,我们先来看表2。
表2 不同功率因数延时误差对比
我们可以发现,频率相同情况下,功率因数越低,延时误差要求越高;功率因数相同的情况下,频率越高,延时误差要求越高。如85KHz情况下,功率因数为0.2时,1%精度的延时误差为3.59ns,而我们常用的电流传感器在测试85KHz信号时,原边信号与副边信号相位差可能都大于3.59ns,所以测试设备必须具备相位校准功能,否则根本无法准确测试无线端的功率和效率。
ZUS6000示波器的应用优势:12bit高精度+5GSa/s采样率
根据上述内容,我们知道,要实现高频信号功率测试的准确,主要因素有以下几点:
1、测试仪器要有足够的精度;
2、测试仪器要有足够的带宽,并且保证在高频下的测量精度;
3、采集高频电压、电流时,需要保证电压和电流信号的同步性,避免因为信号不同步带来角度差,导致结果测试不准确。
[图1 ZUS6000示波器]
ZUS6000系列本身采用了12bit的ADC,采样率高达5GSa/s,测量带宽可以支持1GHz,其测量精度可以达到0.5%,并且有足够的带宽保证,因此可以保证ZUS6000在无线充电频率段的信号准确测量。
ZUS6000测试大电压时需要外接差分探头,测试电流信号时,需要外接电流探头,不同通道连接外置探头,会因为探头本身的频率相位影响和信号传输影响,带来探头间的相位偏移,因此如何消除探头间的相位偏移,是ZUS6000准确测试无线充电的关键因素。
相位偏移校准:ZDF1000校准夹具应用
ZUS6000示波器测试无线功率时,主要的偏移误差来自于探头。探头包括差分探头和电流探头两类。如致远ZP1500D差分探头和ZCP30探头,从两款探头参数可以看到,ZP1500D带宽为100MHz,ZCP30带宽为50MHz。而目前无线充电常用到的信号频率为几十KHz到几MHz范围,其频率大大小于探头本身带宽。而从探头本身的幅频特性来看如图2所示,探头测试的信号要在10MHz以上才开始出现衰减。因此针对无线充电信号,探头本身不会产生衰减及明显的角度误差。
因此在采用ZUS6000示波器配套高频差分探头和电流探头测试无线功率时,主要的相位偏移来自于探头本身的信号传输过程,故如何消除探头信号传输带来的相位偏移,决定了是否能够准确测量无线充电功率的主要因素。
[图2 探头幅频特性图]
为了消除探头因传输带来的相位偏移,我们提供了偏移校正夹具ZDF1000,如图3所示,该夹具通过USB接口供电,使用简单方便,是高速器件功耗测量的必备工具。
[图3 ZDF1000偏移夹具]
相位校准操作步骤:手动校准与自动校准方法
为了更好的展示校准夹具的工作效果,我们以ZUS6104配合ZDF1000为例进行偏移校正的步骤效果演示。
手动相位校准步骤
1、 根据实际的电压探头和电流探头的连接情况,打开相应通道并设置探头类型和探头比率。
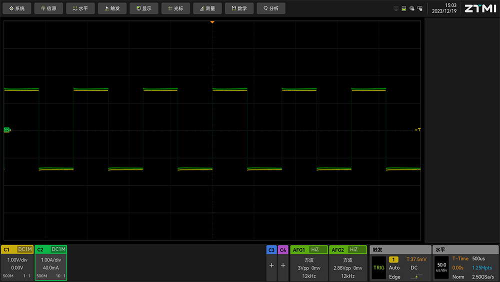
2、 按下"Auto Setup"按键,并通过捕获模式菜单把捕获模式设置为平均模式,平均次数设置为16,"SMALL LOOP 电压"和"SMALL LOOP 电流"的信号波形如图4所示。
[图4 电压电流波形图]
3、 调节电压通道和电流通道的垂直缩放和垂直偏移旋钮,使波形幅度尽可能大但不超出屏幕的范围,同时通过垂直偏移旋钮,使电压和电流波形的中间点靠近屏幕的中间。如图5所示。
[图5 调整居中波形]
4、 调节水平缩放旋钮,使电压波形和电流波形之间的延时能够充分地展现出来。如图6所示。
[图6 有延迟效果波形]
5、 调节非触发通道的延迟校正时间,使电压和电流波形的中间点重叠于屏幕的中间。调节菜单界面及调节延迟校正时间后的电压、电流信号波形如图7所示。
[图7 延迟调节菜单]
自动相位校准步骤
除以上手动校准偏移操作外,ZUS6000还支持自动偏移校准,自动偏移校准的第一步与手动校准第一步相同,将电压电流波形呈现在屏幕上。
之前点击"分析"菜单,找到**"电源分析"**功能,打开电源分析功能后,在弹出的菜单中选择校准功能,点击"校准"开始校准,如图8所示,校准后波形会自动呈现在屏幕上,如图9所示。
[图8 自动校准偏移设置]
[图9 校准后的波形]
电源分析功能:效率测试、谐波分析、功率参数测量
探头传输延时导致的相位偏移校准完成之后,就可以正常使用ZUS6000示波器配合差分探头和电流探头进行无线信号的功率测试了。为了更好的实现功率测试功能,ZUS6000配备了专用的电源分析功能,如图10所示。我们开启效率分析功能,显示结果如图11所示,可以看到输入端的电压、电流、功率和输出端的电压、电流、功率,以及转化效率参数。如果打开谐波功能,如图12所示,可以看到各次谐波参数,并且可以看到有功功率、无功功率、视在功率等全面的功率参数。
[图10 电源分析功能]
[图11 功率效率显示]
[图12 谐波分析显示]
总结:ZUS6000智能应用示波器的平台化优势
ZUS6000是致远仪器推出的12bit的高分辨智能应用示波器,不仅具备大存储、多行业分析等基本功能,还首次提出了X-Key和自定义G键,迈向智能化测试分析应用方向。为了可以开发出更多的行业应用测试,ZUS6000基于Python脚本运行,可以实现更加灵活的软件功能扩展,实现仪器产品的平台化。
