MTA Studio:从测量测试执行到数据价值洞察,全程赋能
2025-08-20
平台概览:集成化设计,简化复杂流程
MTA Studio全称Measure & Test & Analyze Studio,是面向电力电子测试测量应用的综合性分析软件平台。与传统的单一功能软件不同,MTA Studio将操作设备、分析文件、执行测试、工程分析等核心功能集成在同一平台内,实现"一个平台,多种应用"。
图1 MTA启动加载
图2 MTA主页面
操作设备功能:远程操控,化繁为简
1、设备兼容性
MTA软件支持致远仪器全线产品,通过多台设备的统一纳管与操作,构建高效的测试工作台。
功率分析仪、功率计、示波记录仪、示波器等产品,可通过以太网便捷连接。
PSA系列电源提供以太网、串口、GPIB三种接口选择,适应不同连接需求。
2、简化的连接流程
软件提供直观、简便的连接体验,减少用户配置时间。根据实际仪器产品,选择对应设备高效实现软硬件连接,不同仪器产品连接设置有所不同。
启动连接:通过点击主页面"操作设备",或在左侧栏点击"新建设备",打开统一的设备选择向导(图3)。
图3 新建设备向导
功率分析仪连接:选择功率分析仪后,在其设置界面(图4)中,需设置IP地址并确认单机或并机(主机、从机)模式,完成连接。
图4 功率分析仪连接设置界面
示波器自动识别:考虑示波器产品型号丰富的特点,软件增加了"自动识别"功能(图5),可自动匹配连接的设备型号,简化连接操作。
图5 示波器连接设置界面
PSA系列电源连接:如图6所示,支持以太网、串口、GPIB三种连接方式,不同方式下参数设置各异,需要用户根据自身情况进行选择匹配。
图6 PSA电源连接设置界面
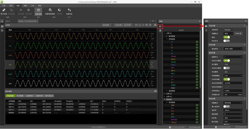
3、远程操控功能
设备连接成功后,可通过MTA软件完成设备操控与数据监控。以功率计产品为例,图7展示了其远程操作界面。通过此界面,工程师可以:
进行远程参数设置
实现实时操作与监控
完成数据读取与分析
便捷地保存测试数据
图7 功率计连接测试
分析文件功能:数据资产,二次利用
1、格式兼容,支持离线二次分析
MTA软件具有离线文件分析功能,支持**.zdld、.fld、.pad、.wfm等主流格式文件的离线二次分析**,过往积累的测试数据都可以重新审视和深度挖掘。
2、操作流程
点击主页面"文件分析",或在开始菜单中点击"导入文件",可以打开加载文件窗口。选择加载文件,加载后可对文件中的信号源信息进行编辑修改,以便更好地进行数据分析,如图8、图9所示。
图8 文件加载界面
图9 文件加载界面
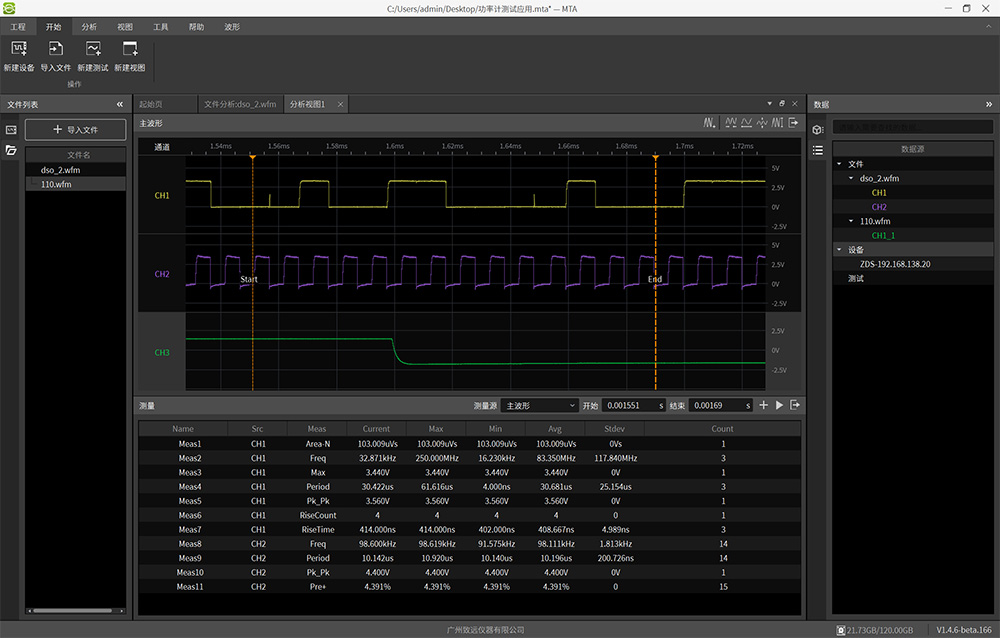
3、统一视图,提升分析效率
离线文件加载完成后,可以在软件中对波形信号进行查看、缩放、测量等操作,不同仪器产品支持的操作各有不同。软件支持不同格式文件显示在同一视图界面,如图10所示,大大提升数据分析的灵活性和效率。
图10 离线数据分析
执行测试功能:专业应用,标准合规
1、丰富的专业测试库
MTA软件具有丰富的扩展软件分析功能,通过点击主页面"执行测试",或在开始菜单中点击"新建测试",可以打开执行测试窗口。在窗口中可以选择Flicker、IEC61000-3-12、IEC61000-3-2、电压穿越、太阳能光伏阵列仿真等功能,如图11所示,此部分功能需要license激活使用。
图11 执行测试功能
2、标准化测试流程示例
以电压穿越测试为例,点击对应图标,打开分析界面。在执行测试分析之前,可以通过必要的参数配置,确保测试结果的有效性,如图12所示。
图12 电压穿越测试配置
完成参数配置后,可以连接仪器,进行在线实时测试,也可以加载分析文件,实现离线数据分析,结果界面如图13所示。
图13 电压穿越测试结果
总结
在选择测量仪器设备时,除了关注仪器本身的功能与性能,也需重视上位机软件及二次开发应用的完善程度,这是适应智能化发展趋势的关键。
致远仪器不仅能提供优质的硬件产品,更配备MTA Studio等配套软件平台。通过软硬件一体化的解决方案,为用户创造的不仅是产品价值,更是整体的应用价值和服务体验。
