CAN差分波形的边沿如此缓慢怎么办?
2025-01-21
现场测试数据
图1是通过ZPS-CANFD采集的现场CAN网络的报文和波形数据,从报文数据观察,全是错误帧,说明CAN网络出现了通信错误,再结合波形数据看,发现CAN差分波形边沿很缓,呈现出镰刀的形状,我们知道,边沿的缓慢程度会影响显隐性电平的识别,所以出现这样的波形状态会容易使CAN网络出现通信错误。
通过ZPS的【总线边沿测量】功能对CAN差分波形的上升、下降时间进行测量,可以看到上升、下降时间统计结果约300ns、600ns。
原因排查
我们知道,CAN总线差分电平由低变高(波形边沿上升)时,收发器的Q1、Q2是导通的,此时导通的收发器给电容充电,CAN总线差分电平由高变低(波形边沿下降)时,收发器的Q1、Q2是不通的,电容通过终端电阻放电。
根据电容的充放电时间公式可知,当R确定的情况下,C越大,τ值就会越大,进而会导致上升、下降沿缓慢的现象。
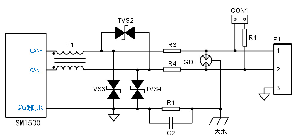
通过对现场CAN网络上的节点电路检查,发现收发器外围电路存在TVS管、气体放电管等保护器件,如图4所示,TVS管本身存在结电容,如果选型较大结电容的TVS管,如电容值在几百到上千皮法,那总线组网后结电容会累计增加,高速通讯的时候总线就会出现边沿缓慢的波形。
优化后的结果
将CAN节点收发器外围电路中的TVS管去掉后,再对现场数据进行采集,从波形和对边沿时间的测量结果看,边沿缓慢现象已得到改善,通信也正常了。如图6所示,优化后的CAN差分上升由300ns左右减少到了30ns左右、下降时间由600ns左右减少到了40ns左右。
CAN网络边沿缓慢原因排查建议
当CAN网络出现边沿过于缓慢时,可以从以下几个方向进行排查:
1、检查CAN节点电路是否添加了等效电容过大的保护器件,如上述案例;
2、检查CAN节点电路是否添加了过大的CAN对地、CANL对地、CANH对CANL电容;
3、检查CAN网络是否选用了寄生电容过大的通信线缆。
