ZMC系列标准源:关于多用表校准的那些事
2025-06-18
数字多用表的概述
数字多用表是现代电子测量的核心仪器,能通过数字显示屏显示精确的电压、电流和电阻等测量值,相比传统指针式仪表具有更高的测量精度和稳定性。按显示位数分类,从三位半到八位半,每增加一位有效数字,理论分辨率提升10倍。
直流电压测量:通过数字电压表直接测量;
直流电流测量:通过电流—电压变换,将电流量转换成电压量测量实现;
交流电压测量:通过交直流转换器,将交流电压转换为直流电压的方式实现;
交流电流测量:通过交直流转换器,将交流电流转换成直流电压的方式实现;
直流电阻测量:通过电阻—电压转换器,将电阻量转换成电压量测量的方式实现。
校准如此重要的三大原因
从确保测量准确性、满足法规要求到保证设备长期可靠运行,校准贯穿着精密测量的每个环节。
数字多用表校准技术流程
一、外观及通电检测
1. 被校数字表外形结构完好,外露件等不应损坏或脱落,机壳、端钮等不应有影响正常工作的机械碰伤,按键无卡死或接触不良的现象;
2. 被校数字表产品名称、制造厂家、仪器型号和编号等均应有明确标记;
3. 供电电压和频率标志应正确无误;
4. 通电检查被校数字表各测量功能、量程切换应正常,小数点位置应正确,显示字符段应完整;
5. 按照被校数字表使用说明书的要求和规定进行预热和预调(包括直流功能调零)。
二、校准点的选取
校准点应覆盖所有量程并兼顾各量程之间的覆盖性及量程内的均匀性,同时应参考被校数字表使用说明书中对校准点的建议,并可根据实际情况或送校单位的要求选取校准点。
例如,校准直流电压时选择校准点的建议:
● 基本量程正极性选取3~5个校准点;
● 非基本量程正极性选取2~3个校准点;
● 各量程负极性可只选取量程值(接近量程值)1个校准点;
● 正极性时,应覆盖量程值的10%点和量程值(接近量程值)点;
● 对于四位半及以下的数字表,可只选取各量程的量程值(接近量程值)点,应包含正负极性。
三、求示值误差
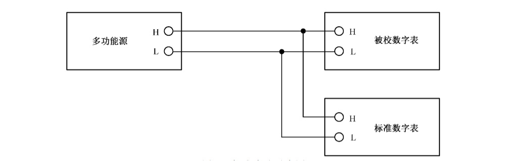
一般地,多用表校准常常用到两种方法,一种是标准源法,另一种是标准表法:
● 标准源法
根据校准点设定多功能源的输出值,记录被校数字表的示值。设多功能源的输出标准值为ZN,被校数字表的示值为ZX,被校数字表的示值误差按下面公式计算:
∆=ZX-ZN
式中:
Δ——示值误差;
ZX——被校数字表的示值;
ZN——多功能源的输出标准值。
被校数字表的相对示值误差按下面公式计算:
γ=Δ/ZN ×100%
式中:γ——相对示值误差。
● 标准表法
调节多功能源的输出值使标准数字表的示值(或校准值)为校准点,记录被校数字表的示值。设标准数字表的示值(或校准值)为ZN,被校数字表的示值为ZX,被校数字表的示值误差和被校数字表的相对示值误差都按上述公式进行计算。
ZMC系列标准源:校准多用表的利器
我们经常用标准源法对数字多用表进行校准,原因是整套校准装置系统设备较少,检测连接线少,操作方便,工作效率较高。另外标准源可以输出标准的交直流电压电流信号,模拟电阻电容输出等功能。由于各个标准源的准确度大有不同,功能也有所不同,因此标准源的选择也非常重要。
另外根据多用表校准规范的规定,校准装置对应功能的最大允许误差绝对值(或不确定度)应不大于被校数字表相应功能最大允许误差绝对值的1/3。标准源的稳定性不应影响标准数字表和被测数字表读数的可靠性,并应考虑标准源的负载特性及温度系数对校准结果的影响。
ZMC6520标准源是目前比较适合用于六位半及以下数字多用表校准的校准器,其原因主要有以下几点:
一、精度更高
标准源的精度通常比六位半数字万用表更高,其输出的电压、电流、电阻等参数具有更小的不确定度和误差范围。例如,校准高精度的六位半数字万用表时,标准源的不确定度可达到0.001%甚至更低,而六位半数字万用表本身的准确度一般在0.003%到0.01%左右(DCV)。这样,标准源就能为万用表的校准提供准确的参考基准,通过与标准源的输出值进行比较,可以发现万用表测量结果中的偏差和误差。
二、测量功能匹配
标准源具备与六位半数字多用表相似的测量功能对各参数输出,如直流电压、交流电压、直流电流、交流电流、电阻、电容、频率等。这使得在进行校准时,可以针对多用表的每一项测量功能进行逐一校准,确保多用表在各个功能上的测量准确性。
三、输出范围更广
标准源通常可以输出多种不同量程和类型的标准信号,能够覆盖六位半数字万用表的各个测量功能和量程范围。无论是直流电压、交流电压、直流电流、交流电流还是电阻等参数,标准源都可以提供相应的标准值,满足对万用表全面校准的需求。
总结
标准源法是数字多用表校准最常见的方法,接线简单,只需一台标准源仪器就可单独完成校准工作。ZMC系列标准源的指标先进,功能强大,确保每次校准结果都值得信赖,高效赋能测量仪器的校准工作。
ZMC标准源:专业校准设备的技术选择
ZMC系列标准源通过先进的电路设计和精密的制造工艺,确保输出信号的高精度和长期稳定性。产品符合相关技术标准要求,为数字多用表校准提供可靠的技术保障。
